(Die Seite wurde neu angelegt: „{{Achtung|Dies ist eine Baustelle !! }} Movinghead_eigenbau === Autor === *Maik Stolle ([mailto:ms090780@web.de Mail])([http://www.topbeat.de Homepage]…“) |
Jkuehn (Diskussion | Beiträge) Keine Bearbeitungszusammenfassung |
||
| (Eine dazwischenliegende Version von einem anderen Benutzer wird nicht angezeigt) | |||
| Zeile 1: | Zeile 1: | ||
=== Autor === | === Autor === | ||
*Maik Stolle ([mailto:ms090780@web.de Mail | *Maik Stolle ([mailto:ms090780@web.de Mail]) | ||
== '''<span style="color: green; font-weight: bold;">was ich vor habe</span>''' == | == '''<span style="color: green; font-weight: bold;">was ich vor habe</span>''' == | ||
| Zeile 169: | Zeile 167: | ||
==== '''<span style="color: red; font-weight: bold;">Firmware</span>''' ==== | ==== '''<span style="color: red; font-weight: bold;">Firmware</span>''' ==== | ||
{{DMXCWebLinks|Forum|index.php?attachment/6005-tut-zip| Firmware}} | |||
==== '''<span style="color: red; font-weight: bold;">Treiber</span>''' ==== | ==== '''<span style="color: red; font-weight: bold;">Treiber</span>''' ==== | ||
Aktuelle Version vom 28. März 2016, 17:01 Uhr
Autor
- Maik Stolle (Mail)
was ich vor habe
Hi,
hier stelle ich nun meine 2te Idee vor, aus einem REVO III einen Movinghead zu bauen.^^ Dazu ist viel Technik und Zeit von nöten.
Benötigtes Material
REVO III
Als erstes braucht mann natürlich ein Gerät das , das Licht erzeugt. in meinem Fall ein REVO-III. warum?? dieses gerät ist leicht, günstig, und einfach Genial^^.
Mechanik
Motoren
Bei den Motoren (schrittmotor), habe ich mich für Stepper von Nanotec entschieden. ich benutze die 0,9° step unipolar Variante, um die auflösung zu erhöhen. Aus Platz- und Gewichtsgründen habe ich mich nicht für die stärkste Variante entschieden! Die Motoren sollten aber schon ca. 1,5A pro Phase benötigen!! Die 0,8A Motoren vom grossen "C" zb. haben nicht genug Kraft!
| Anzahl | Bezeichnung | Kosten (ca.) |
|---|---|---|
| 1 Stk | Tilt-ST4209S1404 | 30,- |
| 1 Stk | Pan-ST4209L1206 | 30,- |
Lager
Nun das wohl aufwändigste. die Lagerung des Kopfes!!
Zum Anfang habe ich mich (zum testen) für Radnaben aus Alu entschieden, da diese schon für ca. 10,- zu haben sind. Als Tilt-Lager geht dieses auch perfekt, mal abgesehen von der Baugrösse!! Als Pan-Lager allerdings geht dieses nicht!! Da die Radnabe eine zu geringe Auflagefläche hat. Also muss als Pan-Lager was anderes her^^ der erste Gedanke lag nun bei einem Kreuzrollenlager (da dieses ja druck & zukräfte aufnehmen muss). Da diese aber sehr teuer und schwer sind, habe ich mich für Gleitlager der Firma IGUS entschieden.
|
Anzahl |
Bezeichnung | Kosten (ca.) |
|---|---|---|
| 2 Stk | Tilt-Radnabe (Vorderrad) | je 10,- |
| 1 Stk | Pan-iglidur® PRT - Rundtisch-Gleitlager Bauform 01 | 100,- |
Antrieb
Als Antrieb machen wirs mal wie die grossen Hersteller. wir nehmen Zahnriemen & Zahnscheiben! als sehr preisgünstig und gut habe ich diesen shop gefunden. dort bekommt man sehr kleine und grosse Zahnscheiben aus Kunststoff. auch die Zahnriemen sind von dort. Warum Zahnriemen?? --> diese sind sehr direkt und geräusch arm!! zudem können sie sich leicht dehnen und so bei Richtungsänderungen harte schläge dämpfen!! Von zahnrädern (Getrieben) wird extrem abgeraten.
| Anzahl | Bezeichnung | Kosten (ca.) |
|---|---|---|
| 2 Stk |
Zahnscheibe gross 96 Zähne |
je 10,- |
| 2 Stk | Zahnscheibe klein 12 Zähne | je 4,- |
| 2 Stk | Zahnriemen Länge nach Bedürfniss | 6,- bis 12,- |
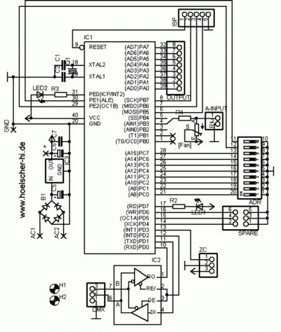
Transceiver
Die Umwandlung vom DMX-Signal in das clock/dir-signal erfolgt mit HENNE seinem DMX-Transceiver ^^
| Anzahl | Bezeichnung |
|---|---|
| 1 Stk | IC 7805 TO 220 |
| 1 Stk | Elko 100/35 |
| 1 Stk | Gleichrichter 40V, 2A |
| 1 Stk | Dip-Schalter, 10-polig |
| 1 Stk | Einstellpotentiometer 10K |
| 1 Stk | IC-Fassung, 8-polig |
| 1 Stk | IC-Fassung, 40-polig |
| 1 Stk | SN 75176 BP |
| 1 Stk | Quartz 8MHz |
| 1 Stk | Kühlkörper FK231 SA220 |
| 1 Pack | Kondensator 100NF |
| 1 Stk | Transceiver Platine |
| 1 Stk | 40pol. Stiftleiste |
| 1 Stk | Atmel 8515 + Firmware (TUT) |
| 1 Pack | Widerstand 390R |
Firmware
Treiber
Nun eine wichtige Entscheidung. Treiber selber bauen oder fertig kaufen??
Hmmm.... ich kaufe lieber fertig :D also auch bei Nanotec geschaut---> gefunden! den Treiber SMC11. Diesen kann mann per clock & direction ansteuern. er produziert die schritte selber!! Mikrostepping ! ich habe mich für die 16tel schritt variante entschieden.
| Anzahl |
Bezeichnung |
Kosten (ca.) |
| 2 Stk |
SMC11-Treiber |
je 30,- |
Gehäuse & Diverses
Als Gehäuse habe ich mich für einen, ausrangierten Car-Hifi-Verstärker, entschieden. Da dieser vorhanden war ^^. Und gross genug für all die Elektronik ist.
Auch das hohe Eigengewicht, und die Tatsache der sehr guten passiven Kühlung, drängte mich grade zu in diese Richtung.
hier mal ein Beispielbild.
meiner sieht anders aus!! und zwar so.
Netzteil
Ich habe mich für ein Schaltnetzteil entschieden, wegen der Baugrösse und der Leistung.
| Anzahl | Beschreibung | Kosten (ca.) |
| 1 Stk | Schaltnetzteil 12V 6A | 20,- |




